HOME 製品を探す 【販売終了】HD9010TM HDタイムコードジェネレーター/リーダー

【販売終了】HD9010TM HDタイムコードジェネレーター/リーダー

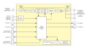
evertz HD9010TMは、LTCおよびHD-SDIのアンシラリータイムコード(SMPTE 12-2)に対応したタイムコードジェネレーター/リーダーです。

製品特徴

対応ビデオフォーマット : 1080i/60, 1080i/59.94, 1080i/50, 1080p/30sF, 1080p/29.97sF, 1080p/25sF, 1080p/24sF, 1080p/23.98sF, 720p/60, 720p/59.94, 720p/50

LTC/VITC ANCタイムコード(SMPTE ST 12-2)インサート機能

30FPSと24FPSの2系統のLTCジェネレーター/リーダー

30FPSと24FPSのLTCを同時に出力可能

LTC⇔ATC変換機能

ドロップフレーム⇔ノン ドロップフレーム変換機能

外部同期可能(BBまたは3値シンク)

ジェネレータータイム/ユーザービット、リーダータイム/ユーザービットのキャラクターインサーター機能

GPI I/Oポート

シリアルコントロールポート

電源冗長化可能(オプション)

停電時のSDI入出力のバイパスリレー(オプション)

製品仕様

SDI入力
スタンダード : SMPTE ST 292-1 (1.5Gb/s), SMPTE ST 274, SMPTE ST 296, SMPTE ST 349
1080i/60, 1080i/59.94, 1080i/50, 1080p/30sF, 1080p/29.97sF, 1080p/25sF, 1080p/24sF, 1080p/23.98sF, 720p/60, 720p/59.94, 720p/50(自動認識または手動設定可能)
コネクター : BNC
イコライザー : 100m @ 1.5Gb/s(Belden 1694A使用時), 50m @ 1.5Gb/s(バイパスリレーオプション装着時)
リターンロス : > 15dB up to 1GHz, > 10dB up to 1.5GHz(バイパスリレーオプション実装時)

SDI出力
出力数 : バイパスリレー付(オプション)x 1, バイパスリレー無 x 2
コネクター : BNC
出力レベル : 800mV
DCオフセット : 0V ±0.5V
ライズアンド/フォールタイム : 200ps
オーバーシュート : < 10% of amplitude
ジッター(Wideband) : < 0.2UI
タイムコード : SMPTE ST 12-2 アンシラリータイムコード

LTCリーダー
スタンダード : SMPTE ST 12-1
入力数 : 2
コネクター : XLRタイプ3ピンメス
信号レベル : 0.2V~4V p-p, バランスまたはアンバランス
フレームレート : 24, 25, 30 Fps
読取り可能な再生速度 : 1/30~50倍速(再生機器に依存します)

LTCジェネレーター
スタンダード : SMPTE ST 12-1
出力数 : 2
コネクター : XLRタイプ3ピンオス
出力レベル : 0.5V~4.5V p-p(調整可)
フレームレート : 24, 25, 30 Fps
ライズタイム : 40 ±10μs
ジッター : < 2μs

ビデオ同期信号
対応信号タイプ :NTSCまたはPAL Colour Black 1V p-p, Bi-level sync (525i/59.94 or 625i/50) 300 mV, HD Tri-level sync (メニューによる選択可)
コネクター : BNC
コネクター数 : 2
終端 : ハイインピーダンス/ループスルー
GPI I/O数 : 6

シリアルコントロール
スタンダード : RS-232
ポート数 : 2

電源
電圧 : 100-240V(オートレンジ) AC, 50/60Hz

消費電力 : 40W

外観
サイズ : 483mm W x 44mm H x 477mm D

重量 : 3.5kg

対応製品・オプション

関連製品